ハッチングや塗りつぶしを設定する
指定した領域や図形などに、ハッチング(斜線などのパターンで埋めること)や塗りつぶしを設定します。
指定した領域をハッチング処理する
指定した領域をハッチングします。領域の指定方法には、頂点指示、図形指示、部品指示などがあります。
[基本作図]タブの[ハッチング]コマンド(
)をクリックして実行します。

[コマンドプロパティ]が表示されます。
(ハッチング設定)をクリックします。

[ハッチング]ダイアログが表示されます。
ハッチング内容を設定し、[OK]ボタンをクリックします。

| 項目 | 説明 |
|
ハッチング |
ハッチングの種類を[水平][垂直][3線][2線]から選択します。 |
|
割り付け |
ハッチングの種類を[クロス1][クロス2][ブロック1][ブロック2]から選択します。 |
|
実寸/印刷寸 |
ハッチング間隔やオフセット入力した数値の寸法を、実寸とするか印刷上の寸法とするかを選択します。[実寸]を選択すると、目地や天伏図の作図などに効果的です。 |
|
A間隔/B間隔/C間隔 |
[ハッチング][割り付け]に示されたA、B、Cの間隔を入力します。 |
|
角度 |
ハッチングの線の角度を入力します。 |
|
オフセット |
配置基準位置から合わせ位置までのオフセットの値を入力します。配置基準位置は、ハッチングの対象を指示した後に図面上で指示します。 |
|
プレビュー |
設定内容に応じたプレビューが表示されます。中央の黄色い四角が合わせ位置を表します。 |
|
参照 |
図形に設定したハッチングを変更する際に使用します。詳しくは、以下を参照してください。 |
|
位置設定 |
[パターン合せ位置]ダイアログで、合わせ位置のタイプを選択し、[閉じる]ボタンをクリックします。設定を変更せずにダイアログを閉じる場合は、[戻り]ボタンをクリックします。 表示されるタイプは、[ハッチング][割り付け]の選択内容に応じて変わります。
|
[コマンドプロパティ]でハッチング方法を設定します。

| 項目 | 説明 | ||
|
指示方法 |
ハッチング領域の指示方法を選択します。
|
||
|
指示を終り作図 |
ハッチング領域の指示の終わりを指示するかどうかを選択します。[On/Off]ボタンをクリックすると、[On]と[Off]が交互に切り替わります。
|
||
|
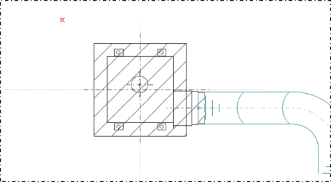
フランジもハッチング |
[指示方法]で[部品指示]を選択した場合に有効です。角ダクトのフランジ部分をハッチング対象に含める場合は、[On]を選択します。 [On/Off]ボタンをクリックすると、[On]と[Off]が交互に切り替わります。 |
[指示方法]で[頂点指示]、[指示を終り作図]で[On]を選択し、ハッチングを作図します。

ハッチングする領域の頂点をクリックします。

すべての頂点をクリック後、右クリックまたは[Enter]キーを押し、確定します。
ハッチングの配置基準位置をクリックします。
オフセットを設定した場合は、配置基準位置からのオフセット方向もクリックして指示します。

ハッチングが表示されます。

[指示方法]で[図形指示]を選択した場合[指示方法]で[図形指示]を選択した場合
指示した図形をハッチングします。以下では、[指示を終り作図]が[On]の場合を例に説明します。
[指示方法]で[図形指示]を選択します。

ハッチングする図形を選択します。
最初に選択した図形と重なっている図形は、続けて選択できます。

右クリックまたは[Enter]キーを押し、確定します。
ハッチングの配置基準位置をクリックします。
オフセットを設定した場合は、配置基準位置からのオフセット方向もクリックして指示します。

ハッチングが表示されます。

|
複数の図形に囲まれた閉鎖領域をハッチングする場合は、対象の領域を囲む図形をクリックし、選択を確定してください。下図のように円と交わる線分で囲まれた領域をハッチングする場合は、➀(線分)、②(円)の順にクリックします。②の位置は、線分と垂直な円の中心線を想定し、中心線を越えた側をクリックする必要があります。
|
[指示方法]で[部品指示]を選択した場合[指示方法]で[部品指示]を選択した場合
指示した部品をハッチングします。以下では、[指示を終り作図]が[On]の場合を例に説明します。
[指示方法]で[部品指示]を選択します。

ハッチングする部品をクリックや範囲指定で選択します。

右クリックまたは[Enter]キーを押し、確定します。
ハッチングの配置基準位置をクリックします。
オフセットを設定した場合は、配置基準位置からのオフセット方向もクリックして指示します。

ハッチングが表示されます。

ハッチングの変更方法について、詳しくは以下を参照してください。
[指示方法]で[領域指示]を選択した場合[指示方法]で[領域指示]を選択した場合
1つの機器を範囲選択してハッチングします。領域内に機器があれば機器のみハッチングされます。領域内に機器が存在しない場合は、指定した領域全体がハッチングされます。
以下では、[指示を終り作図]が[On]の場合を例に説明します。
[指示方法]で[領域指示]を選択します。

ハッチングする部品を含む領域の始点と終点をクリックします。

ハッチングの配置基準位置をクリックします。
オフセットを設定した場合は、配置基準位置からのオフセット方向もクリックして指示します。

ハッチングが表示されます。

|
[指示方法]で[図形指示(外郭線自動検索)]を選択した場合[指示方法]で[図形指示(外郭線自動検索)]を選択した場合
[図形指示(外郭線自動検索)]は、端部が閉じている図形が対象です。範囲選択も可能です。
以下では、[指示を終り作図]が[On]の場合を例に説明します。
[指示方法]で[図形指示(外郭線自動検索)]を選択します。

ハッチングする領域を囲む図形を選択します。

右クリックまたは[Enter]キーを押し、確定します。
ハッチングの配置基準位置をクリックします。
オフセットを設定した場合は、配置基準位置からのオフセット方向もクリックして指示します。

ハッチングが表示されます。

|
|
指定した領域を塗りつぶす
指定した領域を塗りつぶします。領域の指定方法には、頂点指示、図形指示、部品指示などがあります。
[基本作図]タブの[塗りつぶし]コマンド(
)をクリックして実行します。

[コマンドプロパティ]が表示されます。
[コマンドプロパティ]で塗りつぶし方法を設定します。

| 項目 | 説明 | ||
|
指示方法 |
塗りつぶし領域の指示方法を選択します。
|
||
|
指示を終り作図 |
塗りつぶし領域の指示の終わりを指示するかどうかを選択します。[On/Off]ボタンをクリックすると、[On]と[Off]が交互に切り替わります。
|
||
|
フランジもハッチング |
角ダクト(複数)のフランジ部分を塗りつぶし対象に含める場合は、[On]を選択します。 [On/Off]ボタンをクリックすると、[On]と[Off]が交互に切り替わります。 |
||
|
色設定 |
[色設定]ボタンをクリックし、塗りつぶしの色を選択します。 |
||
|
透過率(%) |
塗りつぶしの透過率を入力します。 |
[指示方法]で[頂点指示]、[指示を終り作図]で[On]を選択し、塗りつぶしを実行します。

塗りつぶす領域の周りをクリックします。

右クリックまたは[Enter]キーを押し、確定します。
領域が塗りつぶされます。

[指示方法]で[図形指示]を選択した場合[指示方法]で[図形指示]を選択した場合
指示した図形を塗りつぶします。以下では、[指示を終り作図]が[On]の場合を例に説明します。
[指示方法]で[図形指示]を選択します。

塗りつぶす図形をクリックして選択します。
最初に選択した図形と重なっている図形は、続けて選択できます。

右クリックまたは[Enter]キーを押し、確定します。
図形が塗りつぶされます。

|
複数の図形に囲まれた閉鎖領域を塗りつぶす場合は、対象の領域を囲む図形をクリックし、選択を確定してください。下図のように円と交わる線分で囲まれた領域を塗りつぶす場合は、➀(線分)、②(円)の順にクリックします。②の位置は、線分と垂直な円の中心線を想定し、中心線を越えた側をクリックする必要があります。
|
[指示方法]で[部品指示]を選択した場合[指示方法]で[部品指示]を選択した場合
指示した部品を塗りつぶします。以下では、[指示を終り作図]が[On]の場合を例に説明します。
[指示方法]で[部品指示]を選択します。

塗りつぶす部品をクリックや範囲選択で選択します。

右クリックまたは[Enter]キーを押し、確定します。
選択した図形が塗りつぶされます。

塗りつぶしの変更方法について、詳しくは以下を参照してください。
[指示方法]で[領域指示]を選択した場合[指示方法]で[領域指示]を選択した場合
1つの機器を範囲選択して塗りつぶします。領域内に機器があれば機器が塗りつぶされます。領域内に機器が存在しない場合は、指定した領域全体が塗りつぶされます。
以下では、[指示を終り作図]が[On]の場合を例に説明します。
[指示方法]で[領域指示]を選択します。

塗りつぶす部品を含む領域の始点と終点をクリックします。

部品が塗りつぶされます。

|
[指示方法]で[図形指示(外郭線自動検索)]を選択した場合[指示方法]で[図形指示(外郭線自動検索)]を選択した場合
[図形指示(外郭線自動検索)]は、端部が閉じている図形が対象です。範囲選択も可能です。
以下では、[指示を終り作図]が[On]の場合を例に説明します。
[指示方法]で[図形指示(外郭線自動検索)]を選択します。

塗りつぶす領域を囲む図形を選択します。

右クリックまたは[Enter]キーを押し、確定します。
範囲が塗りつぶされます。

|








