電気平面図から盤図を作成する
電気平面図から盤図を作成する場合、以下のながれで操作します。
|
回路情報を付加する |
図面に回路記号を配置し、回路記号に配線を関連付けることにより回路情報を付加します。 |
|
|
盤図を作成する |
図面に設定された回路情報を取得し、盤図を作成します。 |
回路情報を付加する
[回路記号]コマンド(
)をクリックして実行し、回路記号を配置します。
|
コマンドの実行方法 |
[電気]タブ>[回路記号] [傍記]タブ>[回路記号] |
回路記号の配置方法について、詳しくは以下を参照してください。
|
[回路記号]コマンドから回路記号を作成した場合に、回路情報を付加できます。 |
[電気]タブから[回路情報付加・編集]コマンド(
)をクリックして実行します。

確認ダイアログが表示されます。
[OK]ボタンをクリックします。

図面内の回路記号で、情報が登録されていない回路記号が拡大表示され、[回路の登録]ダイアログが表示されます。
回路を登録する配線をクリックします。

自動的に次の回路記号が表示されるので、同様に配線をクリックし、すべての回路を登録します。

|
回路の登録が終了すると、[回路情報付加・編集]ダイアログに回路の一覧が表示されます。
回路情報を確認・編集し、[保存終了]ボタンをクリックします。

| 項目 | 説明 | ||
|
回路情報 |
回路区分、回路記号、回路番号、盤名称、負荷名称、電圧、合計負荷容量、単位、遮断器、極数、素子数、AF、ATの設定が表示されます。クリックして変更することもできます。
|
||
|
回路番号 [検索]ボタン |
回路情報に目的の行が表示されていない場合は、[回路番号]を入力し、[検索]ボタンをクリックすると、該当の回路の行が回路情報に表示されます。 |
||
|
[変更確認]ボタン |
図面上に情報が未追加の回路がある場合に、ダイアログで通知されます。 |
||
|
[全選択]ボタン |
回路情報をすべて選択します。 |
||
|
[編集]ボタン |
選択している行の回路情報が[回路情報編集]ダイアログに表示され、回路情報を編集できます。 [回路情報][遮断器情報]を入力し、[OK]ボタンをクリックします。
|
||
|
[登録解除]ボタン |
選択している行の回路記号から回路情報を解除します。 |
||
|
[保存終了]ボタン |
図面と回路情報を保存します。 |
||
|
[キャンセル]ボタン |
回路情報を変更せず、[回路情報付加・編集]ダイアログを閉じます。 |
確認ダイアログが表示されます。
[はい]ボタンをクリックします。

|
回路情報は、図面ファイルと同じフォルダに「(図面名)_盤図.mdfd」というファイル名で保存されます。回路情報が失われてしまうので、このファイルの削除や移動は行わないでください。 |
盤図を作成する
[電気]タブの[盤図]コマンド(
)をクリックして実行します。

[操作1:盤図の作成方法を選択]ダイアログが表示されます。
[カレント図面から回路情報を取得する]を選択し、[次へ]ボタンをクリックします。

[操作2:盤の名称を選択]ダイアログが表示されます。
[盤との関連付け]で[行う]を選択し、[次へ]ボタンをクリックします。

関連付ける盤を図面でクリックします。
図面内にある盤が1つだけの場合は、自動的に盤が選択され、次の手順に進みます。

[操作3:盤の情報を入力]ダイアログが表示されます。
盤の情報を入力し、[次へ]ボタンをクリックします。
以下の図では、各情報の設定で図面に表示されるシンボルの例を示しています。

| 項目 | 説明 |
|
幹線情報 |
幹線の情報を入力します。 |
|
主開閉器 |
主開閉器の情報を入力します。 |
|
太陽光発電(遮断器) |
太陽光発電設備がある場合は、太陽光発電設備の情報を入力します。 |
|
電気温水器(遮断器) |
電気温水器がある場合は、電気温水器の情報を入力します。 |
[操作4:回路情報入力・編集]ダイアログが表示されます。ダイアログには「回路情報を付加する」で入力した回路情報が表示されます。
必要に応じて、回路情報を変更します。

| 項目 | 説明 |
|
[並び替え]ボタン |
回路区分、回路番号に基づいて回路を並べ替えます。 |
|
[自動採番]ボタン |
選択している範囲の行の回路番号を、範囲の先頭の回路番号からの連番になるよう振り直します。 例えば、最初の行の回路番号を変更した場合に、以降の行の回路番号が連番になるようにするには、[すべて選択]ボタンをクリックしてすべての行を選択し、[自動採番]ボタンをクリックします。 一部の範囲だけを自動採番するには、範囲をドラッグして選択するか、[Shift]キーを押しながら範囲の最初と最後の行をクリックして選択し、[自動採番]ボタンをクリックします。 |
|
[行複写&追加]ボタン |
選択している行を複写し、行を追加します。 |
|
[追加]ボタン |
末尾に行を追加します。 |
|
[削除]ボタン |
選択している行を削除します。 |
|
[すべて選択]ボタン |
すべての行を選択します。 |
|
[編集]ボタン |
選択している行の回路情報が[回路情報編集]ダイアログに表示され、回路の情報を編集できます。 [回路情報][遮断器情報]を入力し、[OK]ボタンをクリックします。
|
|
(1)回路情報 |
回路情報の一覧です。
|
|
[↑][↓]ボタン |
選択している行を上下に移動します。 |
|
[盤図形状選択]ボタン |
[盤図の形状を選択]ダイアログで、盤図の形状を設定できます。 |
|
[ファイルに出力]ボタン |
回路情報をCSVファイルとして保存します。 |
|
[戻る]ボタン |
前の手順に戻ります。 |
|
[盤図確認・配置]ボタン |
設定した盤図を仮表示し、図面に配置します。 |
|
新規図面 カレント図面 |
盤図を新規図面に配置するか、カレント図面(現在表示している図面)に配置するか選択します。
|
|
キャンセル |
設定を取り消し、[操作4:回路情報入力・編集]ダイアログを閉じます。 |
[盤図形状選択]ボタンをクリックします。

[盤図の形状を選択]ダイアログが表示されます。
[形状選択][配置設定]を設定します。

| 項目 | 説明 |
|
形状選択 |
[防災回路][太陽光発電][電気温水器]の[あり]または[なし]を設定します。ダイアログ下側のプレビューの表示は、設定に応じて切り替わります。 |
|
配置設定 |
分岐、ニュートラルスイッチ、総合計負荷容量の配置の有無をチェックボックスで設定します。 |
[OK]ボタンをクリックします。

[盤図の形状を選択]ダイアログが閉じます。
[新規図面]または[カレント図面]を選択し、[盤図確認・配置]ボタンをクリックします。
現在開いている図面内に盤図を配置する場合は、[カレント図面]を選択します。
[新規図面]を選択した場合、新規図面が開き、盤図のみを配置できます。その場合、登録した内容は現在の図面に残るため、両方の図面を保存する必要があります。

盤図が仮表示されます。

仮表示を見ながら位置を確認し、配置する位置でクリックします。
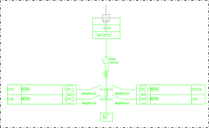
盤図が図面に配置されます。

[盤図形状選択]ボタンで表示される[盤図の形状を選択]ダイアログで[総合計負荷容量を配置する]にチェックを付けた場合は、盤図の配置後に総合計負荷容量の配置位置も指定します。
同一ファイル内で複数の盤図を作成する場合同一ファイル内で複数の盤図を作成する場合
1枚の図面に複数の平面図が配置してある場合は、回路情報の盤名称を変更することで複数の盤図を作成できます。
ここでは例として同一ファイルに1階、2階の図面がある場合の盤図作成方法を説明します。
[電気]タブの[回路記号]コマンド(
)をクリックして実行し、回路記号を配置します。
例として、回路番号は、1階回路を100番台、2階回路を200番台とします。
[電気]タブの[回路情報付加・編集]コマンド(
)をクリックして実行し、回路記号に回路情報を付加します。
回路情報の付加が終了すると、[回路情報付加・編集]ダイアログに回路の一覧が表示されます。
[回路情報付加・編集]ダイアログで、回路記号が200番台の回路をすべて選択し、[編集]ボタンをクリックします。
複数行を選択するには、範囲の先頭から末尾までドラッグするか、[Shift]キーを押しながら範囲の先頭と末尾をクリックします。

[回路情報編集]ダイアログが表示されます。
[盤名称]で[L-2]を選択し、[OK]ボタンをクリックします。

[回路情報編集]ダイアログが閉じます。
選択した回路の盤名称が「L-2」に変更されたことを確認し、[保存終了]ボタンをクリックします。

[電気]タブの[盤図]コマンド(
)をクリックして実行します。
[操作1:盤図の作成方法を選択]ダイアログが表示されます。
[カレント図面から回路情報を取得する]を選択し、[次へ]ボタンをクリックします。

[操作2:盤の名称を選択]ダイアログが表示されます。
1階の盤名称「L-1」を選択して、[盤との関連付け]で[行う]を選択し、[次へ]ボタンをクリックします。

図面上で、1階平面にある盤をクリックします。
[操作3:盤の情報を入力]ダイアログが表示されます。
盤の情報を確認し、[次へ]ボタンをクリックします。

[操作4:回路情報入力・編集]ダイアログが表示されます。
[新規図面]または[カレント図面]を選択して、[盤図確認・配置]ボタンをクリックし、1階の盤図を配置します。

2階の盤図を作成するため、再度[電気]タブの[盤図]コマンド(
)をクリックして実行して、[カレント図面から回路情報を取得する]を選択し、[次へ]ボタンをクリックします。

[操作2:盤の名称を選択]ダイアログが表示されます。
2階の盤名称「L-2」を選択して、[盤との関連付け]で[行う]を選択し、[次へ]ボタンをクリックします。

確認ダイアログが表示されます。
[はい]ボタンをクリックします。

図面上で、2階平面にある盤をクリックします。
[操作3:盤の情報を入力]ダイアログが表示されます。
盤の情報を確認し、[次へ]ボタンをクリックします。

[操作4:回路情報入力・編集]ダイアログが表示されます。
[新規図面]または[カレント図面]を選択して、[盤図確認・配置]ボタンをクリックし、2階の盤図を配置します。

|
1階盤図を新規図面へ配置した場合でも、[新規図面]を選択するとさらに新しい図面ファイルが開きます。1階盤図と同じファイルへ貼り付けるには、図面名称タブを切り替えて配置してください。 |

