図形を選択する
FILDER SiXでは、さまざまな図形の選択方法があります。状況に応じて使い分けることで、効率よく作業できます。
クリックして図形を選択する
図形の線上をクリックします。

図形が選択され、選択色(赤色)で表示されます。

|
選択色は変更できます。詳しくは、以下を参照してください。 |
複数の図形を選択する場合は、続けて他の図形をクリックします。

選択図形が追加されます。

このように、最初にクリックした図形は選択されたままで、後にクリックした図形も選択されます。
|
配管やダクトの場合、同じ箇所を2回クリックすると系統が選択でき、3回クリックすると全系統が選択できます。
1回クリックで単独選択する
配管・ダクトを1回クリックすると、その配管・ダクトが選択されます。

2回クリックで系統選択する
配管・ダクトを2回クリックすると、その部品に接続している配管・ダクトが枝管を除いて選択されます。

3回クリックで全系統選択する
配管・ダクトを3回クリックすると、その部品に接続している配管・ダクトがすべて選択されます。

|
同じ配管・ダクトを2回/3回クリックする場合は、コントロールポイント(■/▲)はクリックせず、配管・ダクト自体をクリックしてください。 |
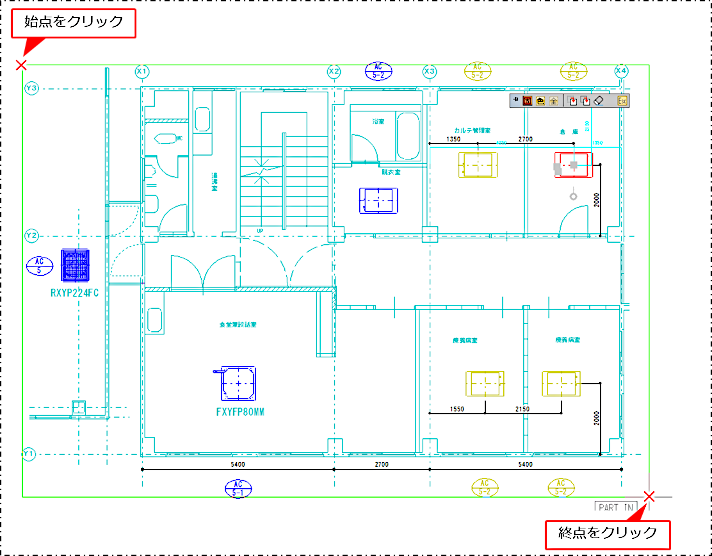
範囲を指定して図形を選択する
マウスで図形を囲むように範囲を指定し、図形を選択します。
範囲の始点と終点をクリックします。

選択種類について、詳しくは以下を参照してください。 |
範囲に含まれる図形が選択されます。

|
選択制御ツールバーの選択種類の設定が[単独]や[連続選択](表示は[連P])の場合は、範囲選択はできません。また、選択種類の設定により、範囲に全部含めるか一部だけでも含まれていればよいかの動作が異なります。 |
選択種類を切り替える
図形を範囲選択する方法は6種類あり、画面下の選択制御ツールバーで切り替えられます。
選択制御ツールバーに表示されている選択種類をクリックします。

プルダウンメニューが表示されます。
プルダウンメニューから選択方法をクリックします。

| 項目 | 表示 | 説明 |
|
自動-PART_IN |
[自P] |
左から右に範囲選択します。選択した範囲に図形の一部でも含まれていれば、図形が選択されます。
逆に、右から左に範囲選択した場合は[ALL_IN]に切り替わり、範囲に全体が含まれる図形のみが選択されます。 図形をクリックして選択することもできます。 |
|
自動-ALL_IN |
[自A] |
左から右に範囲選択します。選択した範囲に全体が含まれる図形が選択されます。
逆に、右から左に範囲選択した場合は[PART_IN]に切り替わり、範囲に一部でも含まれる図形が選択されます。 図形をクリックして選択することもできます。 |
|
PART_IN |
[P-IN] |
左から右に範囲選択します。選択した範囲に図形の一部でも含まれていれば、図形が選択されます。
逆に、右から左に範囲選択した場合は[ALL_IN]に切り替わり、範囲に全体が含まれる図形のみが選択されます。 図形をクリックして選択することはできません。 |
|
ALL_IN |
[A-IN] |
左から右に範囲選択します。選択した範囲に全体が含まれる図形が選択されます。
逆に、右から左に範囲選択した場合は[PART_IN]に切り替わり、範囲に一部でも含まれる図形が選択されます。 図形をクリックして選択することはできません。 |
|
単独 |
[単独] |
図形をクリックして選択します。 範囲選択はできません。 |
|
連続選択 |
[連P] |
図形をクリックして選択します。配管・ダクトの場合は、区間指示選択となります。 範囲選択はできません。 |
ミニツールバーを使用して選択する
図形を選択すると、カーソルの近くにミニツールバーが表示されます。ミニツールバーを使用し、選択した図形と同じ属性や色の図形を一括して選択できます。
選択した図形と同じ属性の図形を選択する
選択した図形と同じ属性の図形を選択できます。ここでは、例として機器を選択します。
機器をクリックします。

クリックした位置の近くにミニツールバーが表示されます。
ミニツールバーの
(選択固定(部品))をクリックします。

選択した図形と同じ属性の図形(この例では機器)だけが選択できる状態になります。
|
選択制御ツールバーの[固定]をクリックしても、選択した図形と同じ属性の図形が選択できる状態になります。
|
図形を範囲選択します。
図面内のすべてを対象にする場合は、ミニツールバーの
(全候補選択)をクリックします。

同じ属性の図形(この例では機器)だけが選択されます。

|
選択制御ツールバーの[全選]をクリックしても、図面内のすべてを対象にできます。
|
選択した図形と同じ色の図形を選択する
属性に関係なく選択した図形と同じ色の図形を選択できます。ここでは、例として黄色の機器を選択します。
図形をクリックします。

クリックした位置の近くにミニツールバーが表示されます。
ミニツールバーの
(選択固定(色))をクリックします。

選択した図形と同じ色の図形(この例では黄色の図形)だけが選択できる状態になります。
図形を範囲選択します。
図面内のすべてを対象にする場合は、ミニツールバーの
(全候補選択)をクリックします。

同じ色の図形(この例では黄色の図形)だけが選択されます。

|
選択した図形と同じ属性・色の図形を選択する
選択した図形と同じ属性・色の図形を選択できます。ここでは、例として黄色で作図されている機器だけを選択します。
黄色の機器をクリックします。

クリックした位置の近くにミニツールバーが表示されます。
ミニツールバーの
(選択固定(部品))と
(選択固定(色))をクリックします。

選択した図形と同じ属性・色の図形(この例では黄色の機器)だけが選択できる状態になります。
図形を範囲選択します。
図面内のすべてを対象にする場合は、ミニツールバーの
(全候補選択)をクリックします。

同じ属性・色の図形(この例では黄色の機器)だけが選択されます。

|
選択制御ツールバーの[全選]をクリックしても、図面内のすべてを対象にできます。
|
選択した文字と同じ属性の文字を選択する
選択した文字と同じ属性の文字を選択できます。ここでは、例として高さが同じ文字を選択します。
文字をクリックします。

クリックした位置の近くにミニツールバーが表示されます。
ミニツールバーの
(選択固定(文字高))をクリックします。

選択した文字と同じ属性(この例では高さ)の文字だけが選択できる状態になります。
範囲選択します。

同じ属性(この例では高さ)の文字だけが選択されます。

選択制御ツールバーの[選択]を使用して選択する
選択制御ツールバーの[選択]により、選択対象となる図形の属性を限定することができます。
選択制御ツールバーの[選択]をクリックします。

[システム設定]の[選択]が表示されます。
選択対象にする色、線種、線幅、レイヤ、部品種類などにチェックを付け、[OK]ボタンをクリックします。

ここでは例として、レイヤの[(1-3)躯体]を選択します。

|
このダイアログは、[設定]タブの[環境設定]コマンドをクリックして実行し、[システム設定]の[選択]をクリックしても表示されます。設定内容について、詳しくは以下を参照してください。 |
範囲を選択します。

この例では[(1-3)躯体]レイヤにある図形だけが選択されます。

重なった図形から目的の図形を選択する
複数の図形が重なっている中から、目的の図形を選択します。
図形の重なっている箇所を右クリックします。

ショートカットメニューが表示されます。
[複数候補問い合わせ]をクリックします。

現在選択されている図形が黄色で表示されます。

目的の図形が黄色で表示されるまで、図面上でクリックします。
クリックするごとに、重なっている図形が順次黄色表示に切り替わります。
右クリックメニューの[次候補][前候補]を選択して切り替えることもできます。

目的の図形が黄色表示になったら、右クリックし、表示されるメニューから[了承]をクリックします。

図形が選択されます。

選択を解除する
図形の選択を解除します。

以下の方法があります。
- マウスホイールをクリックする
- [Esc]キーを押す
- 右クリックメニューの[ピックキャンセル]をクリックする
- ミニツールバーの
をクリックする
- 選択制御ツールバーの[解除]をクリックする
|
選択した複数の図形の中から、特定の図形だけを除外できます。
|





